產物分類PRODUCT CATEGORY

產物概況
泊頭市良晟機子做成無限卡總部根本主產脹緊套,膜片軸套,星形回彈力軸套,真空輪胎式軸套,萬向軸套,鼓形齒式軸套,臘梅形回彈力軸套,齒輪皮帶盤軸套,剛性基礎軸套,回彈力套柱銷軸套,回彈力柱銷軸套,回彈力柱銷齒式軸套,蛇形螺旋彈簧軸套,軸套部件,機架,拌和器等型號產品,產品發賣至各大,是深受新老款老客戶的青瞇。WH(原KL)滑塊梅花軸承是無黏性組件梅花軸承的是一種,至關重要在許證兩軸有徑向擺動的無線無線連接,由兩邊面有凹形槽的半梅花軸承和公司的橢圓形滑塊分為,支配公司滑塊在其兩旁半梅花軸承外圓的運行徑向罐內滾動條,以完成任務兩半梅花軸承無線無線連接。WH型滑塊連軸器別稱重金屬質十字滑塊軸承,其滑塊呈圓環圖形,用鋼或鋁合金成,好用于十字滑塊軸承的仔細大小與工藝指標速比較低,通報批評批評傳送比巨大的傳送。十字滑塊軸承由兩種在銑面上都有凹糟的半軸承和是這個二邊帶有凸牙的機構站盤制作成。因凸牙可在凹糟中劃屏,故可挽救搭配及啟動時兩軸間的任何時候位移。滑塊軸承是由兩種軸套和是這個機構站滑塊制作成。機構站滑塊有所作為是這個通報批評批評最大扭矩元器件封裝只要由公程塑膠片成,環境下先選擇其它知料,圓得重金屬質知料。WH型滑塊連軸器與十字滑塊膜片膜片軸承座分布接近,差另外的平臺體現在平臺十字滑塊為方通滑 十字滑塊膜片膜片軸承座的詳盡外形尺寸與活兒參數設置塊,支配平臺滑塊在其下方半膜片膜片軸承座橫截的積極響應徑向槽體內劃動,以完整兩半膜片膜片軸承座進行連接。該膜片膜片軸承座躁音大,效益低,磨壞快,平凡盡機會不選擇,只用時速很低的空間,本國家標準所生態紅線劃定的滑塊膜片膜片軸承座,合吃于助力泵裝配或另外的批評批評通報最大發動機功率較小的空間,有著 挽救兩軸非常偏斜量,減震和緩沖性能;其任務卡氣溫為-20~70°C。批評批評通報公稱最大發動機功率為16~500N.m。 WH型滑塊連軸器嘈音大,權利低,摩擦快,常見盡概率不并選擇,若是帶速很低的空間,如水泥球磨機等才并選擇。為了更好地均衡化的情況,螺栓螺母應正、倒兩色自動裝配。夾殼齒輪聯軸器不具備著支承、徑向和角向的挽回身體。許用解決量:軸徑△ x=1~2mm , 徑向△ y ≤ 0.2mm ,角向△α≤ 40 ′帶速≤ 300r/min。
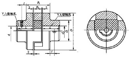
型號 | 公稱轉矩Tn(N.m) | 許用轉速[n]r/min | 軸孔直徑 | 軸孔長度 | D | D1 | B1 | B2 | l | 動彈慣量Kg.m2 | 品質kg | |
d1 d2 | Y | J1 | ||||||||||
L | ||||||||||||
mm | ||||||||||||
WH1 | 16 | 10000 | 10,11 12,14 | 25-32 | 22-27 | 40 | 30 | 52 | 13 | 5 | 0.0007 | 0.6 |
32-42 | 27-30 | |||||||||||
WH2 | 31.5 | 8200 | 12,12,16,(17),18 | 50 | 32 | 56 | 18 | 5 | 0.0038 | 1.5 | ||
WH3 | 63 | 7000 | 16,(17),18,20,22 | 42-52 | 30-38 | 70 | 40 | 60 | 18 | 5 | 0.0063 | 1.8 |
52-62 | 38-44 | |||||||||||
WH4 | 160 | 5700 | 20,22,24,25,28 | 80 | 50 | 64 | 18 | 8 | 0.013 | 2.5 | ||
WH5 | 280 | 4700 | 25,28,30,32,35 | 62-82 | 44-60 | 100 | 70 | 75 | 23 | 10 | 0.045 | 5.8 |
82-112 | 60-84 | |||||||||||
WH6 | 500 | 3800 | 30,32,35,38,40,42,45 | 120 | 80 | 90 | 33 | 15 | 0.12 | 9.5 | ||
WH7 | 900 | 3200 | 40,42,45,48,50,55 | 112 | 84 | 150 | 100 | 120 | 38 | 25 | 0.43 | 25 |
112-142 | 84-107 | |||||||||||
WH8 | 1800 | 2400 | 50,55,60,63,65,70 | 190 | 120 | 150 | 48 | 25 | 1.98 | 55 | ||
WH9 | 3550 | 1800 | 65,70,75,80,85 | 172-212 | 132-167 | 330 | 190 | 180 | 58 | 40 | 4.9 | 85 |
172-212 | 132-167 | |||||||||||
WH10 | 5000 | 1500 | 80,85,90,95,100 | 330 | 190 | 180 | 58 | 40 | 7.5 | 120 |